
NST-14FTVP serisi şamandıralı termostatik hava tahliyeli kondenstopların gövdesi döküm veya paslanmaz çelikten imal edilir. Tüm kondenstoplar, integral balanslı basınçlı tip termostatik hava tahliyesi ile donatılmıştır. NST-14FTVP serisi yatay yada dikey şekilde bağlanır. Bununla beraber, NST-14FTVP serili kondenstopların gövde pozisyonu farklı akış yönlerine uygun olabilecek şekilde (soldan sağa veya yukarıdan aşağıya ya da sağdan sola gibi) değişebilir.
MONTAJ
Kondenstoplar, bakım için kolay ulaşılabilir pozisyon ve yere monte edilmelidirler. Ürün etiketindeki fark basıncı, tüm sistemin fark basınç değerinden daha büyük olmalıdır. Kondenstopun düzgün çalışması için düz bir pozisyonda yatay olarak monte edilmesi gerekmektedir.
1.Kondenstopu kondensi tahliye edecek ekipmanın alt tarafına ve yakınına monte edin ve kondenstopun girişinde uzun yatay boru hattı bulunmasından kaçınınız.
2.Potansiyel koç darbesi problemlerinin engellenmesi için, tüm yatay hatları kondenstopa doğru aşağı yönde eğimli yapın.
3.Kondenstop önüne pislik tutucu monte edilmelidir.
4.Kondenstopun kolay bakımı ve test edilmesi için,kondenstopun her iki tarafına bağlantı için, rakor veya flanş ve kesici vana kullanınız.
5.Çıkış borusuna bir test valfi ve kep monte ediniz. Bu kondenstopun test edilmesine imkan sağlar. Kep, unite kullanılmadığı zaman, ön güvenlik önlemi olarak kullanılır .
6.Kondenstopu devreye almadan önce, hattı 5 dakika boyunca tam buhar basıncında tahliye edin. Bu temizleme işlemi hat içindeki kalıntıları ortadan kaldıracaktır.
7. Sistem temizlenene kadar, çalışmaya başladığı ilk 2-3 gün kondenstopun bakım ve temizliğini yapın. Sonrasında kondenstopun periyodik bakımını sistemin normal çalışma şartlarında 6 /12 ayda bir kez yapın.
BAKIM
Zamanında yapılan düzenli kontrol ve doğru bakımla NORDSTEAM NST14FTVP serisinden yüksek performans ve uzun ömür sağlarsınız. Şamandıralı termostatik kondenstopların içi, gövde hat üzerinden sökülmeden olduğu yerde değiştirilebilir. Kondenstop periyodik olarak denetlenmeli ve temizlenmelidir. Aşınmış parçalar yenisi ile değiştirilmelidir. Her bakım için kondenstopu açışınızda kapak contasını yenisi ile değiştiriniz.
| YEDEK PARÇALAR | ||
| No | Açıklama | Malzeme |
| 1 | KAPAK |
ENGJS 400 18 DIN 1693 GGG40.3 & WCB, AISI304,AISI316 |
| 2 | GÖVDE |
ENGJS 400 18 DIN 1693 GGG40.3 & WCB,AISI304,AISI316 |
| 3 | ŞAMANDIRA SİTİ | PASLANMAZ ÇELİK / SS 304 |
| 4 | VALF SİTİ | PASLANMAZ ÇELİK / SS 410 |
| 5 | ŞAMANDIRA VE KOLU | PASLANMAZ ÇELİK / SS 304 |
| 6 | TERMOSTATİK ELEMAN | PASLANMAZ ÇELİK / SS 304 |
| 7 | KAPAK CIVATASI | EN4014 M10 8.8 |
| 8 | VALF SİTİ CONTASI | PASLANMAZ ÇELİK / SS 304 |
| 9 | KAPAK CONTASI | PASLANMAZ ÇELİK + GRAFİT / SS 304 + GRAPHITE |
| 10 | KAPAMA VALFİ | PASLANMAZ ÇELİK / SS 304 |
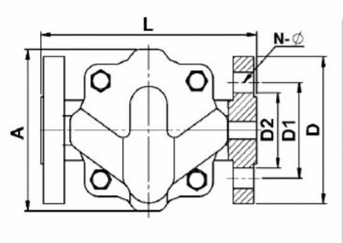
| BOYUTLAR | ||||||||
| Çap | L | A | H1 | H | d | d1 | d2 | N-Ø |
| DN15 | 150 mm | 110 mm | 68 mm | 160 mm | 95 | 65 | 45 | 4*14 |
| DN20 | 150 mm | 110 mm | 68 mm | 160 mm | 105 | 75 | 58 | 4*14 |
| DN25 | 160 mm | 110 mm | 107 mm | 170 mm | 115 | 85 | 68 | 4*14 |
| BAĞLANTI ŞEKLİ | FLANŞLI | ||
| ÇAPLAR | DN15 | DN20 | DN25 |
| AĞIRLIKLAR (Kg) | 4,8 | 5,1 | 6,9 |
| ÇALIŞMA ŞARTLARI | |
| MAX. TEST BASINCI (BAR) | 24-60 |
| MAX. SICAKLIK (ºC) | 250 |
| MAX. ÇALIŞMA BASINCI (BAR) | 16-40 |
| MAX. FARK BASINCI (BAR) | 4,5 , 10 , 14 |