ELEKTRİK AKTÜATÖRLÜ KÜRESEL VANA

ÜRÜN KATEGORİLERİ

ELEKTRİK AKTÜATÖRLÜ KÜRESEL VANA

PASLANMAZ ÇELİK REDÜKSİYON GEÇİŞLİ KÜRESEL VANA

ELEKTRİK AKTÜATÖRLÜ KÜRESEL VANA
ELEKTRİK AKTÜATÖRLÜ KÜRESEL VANA
ELEKTRİK AKTÜATÖRLÜ KÜRESEL VANA
Ürün Bilgileri
Ürün Adı - PASLANMAZ ÇELİK 3 YOLLU ´T´ TİPİ REDÜKSİYON GEÇİŞLİ ELEKTRİK AKTÜATÖRLÜ KÜRESEL VANA
MODEL NST-EA3YT
Ürün Kategorisi - · Nordsteam Buhar ve Akış Kontrol Ekipmanları · Vanalar · Aktüatörlü Vanalar
Ürün Markası - Nordsteam

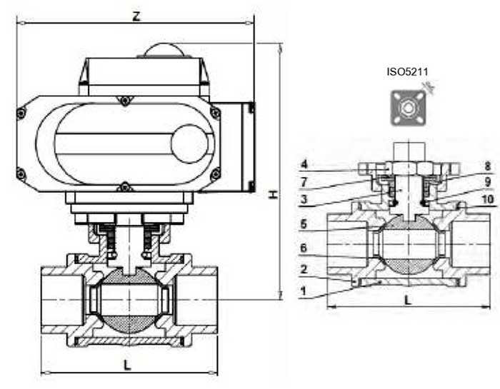
NO

PARÇA ADI

MALZEME

MİKTAR

1

GÖVDE 

PASLANMAZ ÇELİK / SS316

1

2

KAPAK

PASLANMAZ ÇELİK / SS316

3

3

MİL

PASLANMAZ ÇELİK / SS304

1

4

KOVAN SOMUNU 

PASLANMAZ ÇELİK / SS316

1

5

KÜRE

ASTM A351 GR.CF8M

1

6

SİT

TAKVİYELİ PTFE / REINFORCED PTFE

4

7

BASINÇLI AYAR PULU

PTFE

1

8

SALMASTRA

PTFE

1

9

BAĞLANTI CONTASI

PTFE

2

10

KAPAK SALMASTRASI

PTFE

3


ÖLÇÜ

L

H

Z

CXC

TEPE FLANŞLI

TORK

AĞIRLIK

AKTÜATÖR

1/2‘’

75

187

160

9*9

F03-F05

11

0.58

NST-EA05

3/4’’

86

190

160

9*9

F03-F05

15

0.79

NST-EA05

1’’

103

197,5

160

11*11

F04-F05

18

1.25

NST-EA05

1 1/4’’

115

206

160

11*11

F05-F07

25

2.22

NST-EA05

1 1/2‘’

125

234,5

196

14*14

F05-F07

35

3.45

NST-EA10

2’’

146

241

196

14*14

F05-F07

55

4.50

NST-EA10